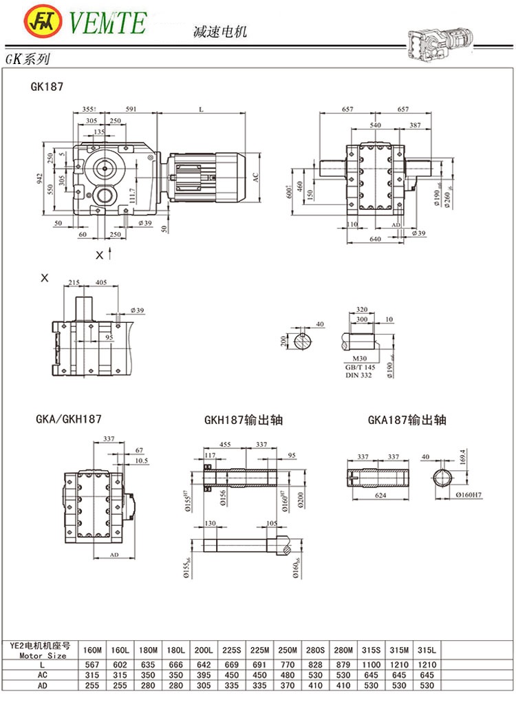
這是TK188減速機,TKA188減速器,TKAF188減速箱以及TKF188減速電機的具體的型號以及對應的安裝尺寸圖紙,而TK188系列減速機對應的大眾型號為K187減速電機。
| TK188-Y18.5-4P | TKA188-YEJ45-4P | TKF188-Y132-4P |
| TK188-Y22-4P | TKA188-YEJ55-4P | TKF188-Y160-4P |
| TK188-Y30-4P | TKA188-YEJ75-4P | TKF188-Y200-4P |
| TK188-Y37-4P | TKF188-Y37-4P | TKAF188-Y18.5-4P |
| TK188-Y45-4P | TKF188-Y45-4P | TKAF188-Y22-4P |
| TKF188-Y18.5-4P | TKF188-Y55-4P | TKAF188-Y30-4P |
| TKF188-Y22-4P | TKAF188-Y45-4P | TKA188-YEJ70-4P |
| TKF188-Y30-4P | TKAF188-Y55-4P | TKA188-YEJ110-4P |
| TK188-Y110-4P | TKAF188-Y75-4P | TKA188-YEJ132-4P |
| TK188-Y132-4P | K系列減速機 | TK188-Y55-4P |
| TK188-Y160-4P | TKAF188-Y110-4P | TK188-Y75-4P |
| TK188-Y200-4P | TKAF188-Y132-4P | TK188-Y70-4P |
| TKF188-Y110-4P | TKAF188-Y160-4P | TKF188-Y75-4P |
| TKAF188-Y90-4P | TKAF188-Y200-4P | TKF188-Y90-4P |
| TKA188-YEJ18.5-4P | TKA188-YEJ160-4P | TKAF188-Y37-4P |
| TKA188-YEJ22-4P | TKA188-YEJ200-4P | TKA188-YEJ30-4P |
下一篇:TS38系列蝸輪減速機型號上一篇:TK168系列傘齒輪減速機型號
此文關鍵字:TK188系列傘齒輪直角減速機
















